特点和用途
精度高、抗偏载能力强;抗干扰能力强,稳定性高。
广泛应用于各个工业领域,如产品测试,机器人装配,打磨和抛光等。
新型结构设计优化方法和丰富的设计经验,抑制传感器各方向间的互相干扰,提高传感器刚性的同时保证其灵敏度。
二维、三维或六维力测量,精度高、抗偏载能力强,容易安装,串扰小,耐冲击力,稳定性好,体积小,响应快,过载能力强,可用于军工等级的测量,机器手臂精密控制、曲面研磨抛光,加工中心精雕加工、医疗设备精密测试,接受定制规格。
三维力测量,精度高、抗偏载能力强,容易安装,串扰小,耐冲击力,稳定性好,体积小,响应快,可用于军工等级的测量,机器手臂精密控制、曲面研磨抛光,加工中心精雕加工、医疗设备精密测试,接受定制规格。
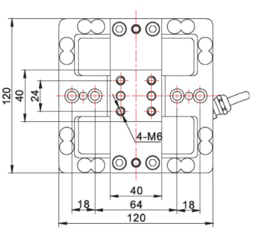
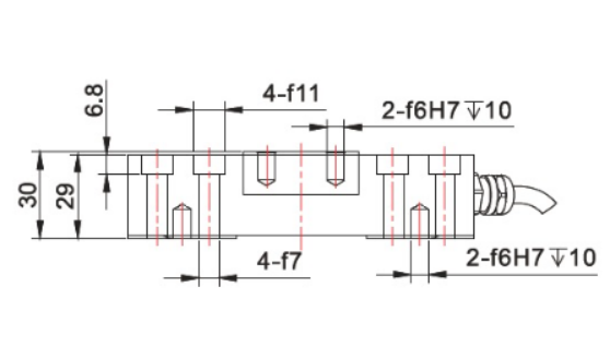
安装尺寸


参数表
额定量程 | Nomial load | X:50/100/200/500/1000/2000/5000 Y:50/100/200/500/1000/2000/5000 Z:50/100/200/500/1000/2000/5000 |
输出灵敏度 | Rated output | 1.0mV/V |
零点输出 | Zero balance | ±2% F.S. |
非线性 | Non-linearity | 0.1%F.S. |
滞后 | Hysteresis | 0.1%FS. |
重复性 | Repeatability | 0.1%F.S |
互扰误差 | Interference error | 0.3% F.S. |
蠕变(30min) | Creep(30min) | 0.1%F.S. |
温度灵敏度漂移 | Temp. effect on output | 0.1%F.S./10℃ |
零点温度漂移 | Temp.effect on zero | 0.1%F.S./10℃ |
输入电阻 | Input impedance | 780±10 Ω |
输出电阻 | Output impedance | 700±10 Ω |
绝缘电阻 | Insulation | ≥5000MΩ/100VDC |
激励电压 | Recommended excitation | 5-12V |
最大激励电压 | Maxmum excitation | 15V |
温度补偿范围 | Compensated temp range | -10~40℃ |
工作温度范围 | Operation temp range | -20~75℃ |
安全超载 | Safe overload | 150%F.S. |
极限超载 | Ultimate overload | 300%F.S. |
材质 | Material | Stainless(不锈钢) |
电缆尺寸 | Cable size | Ф5x4000mm |
防护等级 | IP class | IP66 |
受力方向

接线方式
